Centrale de régulation plancher chauffant / rafraichissant
Centrale de régulation plancher chauffant / rafraichissant Ce produit sera bientôt disponible
Impossible de charger la disponibilité pour le Service de retrait
Conditions de livraison
Conditions de livraison
Expédition jour J pour toute commande validée avant 14h
Livraison express ou point relais disponibles
Boitier central de raccordement des têtes électrothermiques installées sur le collecteur
Compatible plancher chauffant et plancher chauffant / rafraichissant
Indispensable au raccordement de thermostats pour réguler la température de l'installation de chauffage par le sol
Compatible uniquement avec les thermostat à alimentation électrique filaire (pas à pile)
Signal de retour thermostat « tout ou rien »
1 boitier peut contrôler 8 zones / pièces
| Norme | CE |
| Alimentation | 220V / 50-60 Hz |
Sécurité
Toujours couper l'alimentation électrique pour réaliser l'installation, toutes interventions, maintenance, ou nettoyage
Lire attentivement la procédure d'installation avant de commencer
L'intervention d'un professionnel est recommandée
Tous les raccordements doivent se conformer aux normes et usages en vigueur
En cas de défaillance avérée, contacter le support sur contact@waterout.fr et suivre les recommandations en retour avant toute mise en service
Utiliser cet appareil uniquement pour son usage prévu
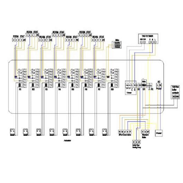
Schéma (retrouvez ce schéma dans les visuels)

W1-W8 : Sorties thermostats d’ambiance
L : Line voltage
N : Neutral voltage
L1 : Line voltage of load
R1-R8 : Actuator sub unit
S1 : Pompe de circulation eau chaude
G1 : Volt-free output for boiler
PE : GND
AC : Alimentation electrique 110-240 VAC , 50-60 Hz





